随着计算机总线技术的发展,计算机在测控领域发挥越来越重要的作用,计算机总线从最初的只有低速的ISA总线,发展到133M的PCI总线,一直到10G带宽的PCI-Epress总线,使应用于高速采集的"数据传输总线瓶颈"逐渐得到解决。
另一方面,以太网技术的发展,传输速率从10M发展到1G,使基于网络的分布式得到迅速发展,但以太网的采集模块无法实现PCI总线的中断和DMA响应功能,实现高速采集还需要采集模块具有CPU等。测量总线VXI/PXI/LXI技术虽然可以实现高速采集、同步触发与热插拔功能,但价格昂贵。

USB总线的出现,恰好解决这一问题。Intel公司开发的通用串行总线架构(USB)的目的最早是考虑基于计算机与电话之间的连接、设备连接易用性和端口扩充,而目前应用到各个领域。速度从11M到USB2.0的480Mbps,已超过百兆以太网,且具有总线供电、热插拔、中断功能等,且成本低廉、架构开放,广泛应用于一般测量领域。

USB规范
USB传送信号和电源是通过一种四线的电缆,两根电源线(V-bus/GND)使用+5V电源,两根信号线(D+/D-),采用长短针的
方式可以保证热插拔过程中的安全,同时USB规范制定了"电源管理"功能,系统软件可以与主机的能源管理系统结合共同处理各种电源子件如挂起、唤醒,并且有特色的是,USB设备应用特有的电源管理特性,可让系统软件控制电源管理并自动识别USB设备。最新的USB2.0规范支持480M的传输速率,从PCIExpress的IO桥中引出,保证了高速传输。
USB的总线布局技术
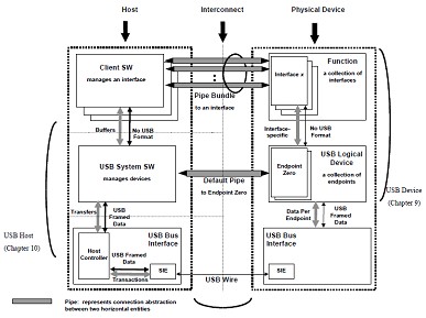
USB连接了USB设备和USB主机,USB的物理连接是有层次性的星型结构。每个网络集线器是在星型的中心,每条线段是点点连接。从主机到集线器或其功能部件,或从集线器到集线器或其功能部件,从图中可看出USB的拓扑结构。USB规范规定通过使用Hub扩展可拨接多达127个外设,最多六层,标准USB电缆长度为5m,通过Hub或中继器可以使外设距离达到30m(6*5)。近些年出现一种"USB延长器"技术,通过使用5类线可以将USB延长至100M,这种技术扩展了USB测量系统的灵活性,但对于要求高速和准确的测量系统来说该技术需要进一步检验,并没有包含在规范中。

USB数据传送类型
USB定义了4种传送类型:
·控制传送:可靠的、非周期性的、由主机软件发起的请求或者回应的传送,通常用于命令事务和状态事务。
·同步传送:在主机与设备之间的周期性的、连续的通信,一般用于传送与时间相关的信息。这种类型保留了将时间概念包含于数据中的能力。但这并不意味着,传送这样数据的时间总是很重要的,即传送并不一定很紧急。
·中断传送:小规模数据的、低速的、固定延迟的传送。
·批传送:非周期性的,大包的可靠的传送。典型地用于传送那些可以利用任何带宽的数据,而且这些数据当没有可用带宽时,可以容忍等待。

通过以上机制可以保证USB设备在保证正确的情况下高速传输。
USB数据采集模块设计

USB系列模块是研华公司开发的数据采集模块,包括完整的A/D,D/A,DIO,USB转串口,USB Hub等产品,采用USB2.0标准,并进行加固型工业设计,在各领域有较多的应用。
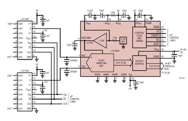
以USB-4718 8通道热电偶输入模块为例,原理图如下:

差分信号通过多路选择开关进入A/D转换器,转换后的数字信号通过USB接口芯片与计算机的USB Host相连,A/的转换原理图如下:

在提供硬件产品的同时,研华提供完整Windows,WinCE,Linux等操作系统下的驱动。不仅可以使用VC、VB、Delphi等高级语言进行开发,通过驱动接口也可以应用到Labview软件中。
ActiveDAQ Pro是研华新推出的图形化测量专用组件,利用研华数据采集卡驱动和ActiveDAQ Pro将复杂的开发过程全部封装起来,给使用者呈现的是极其强大的功能、稳定的性能和简单的应用开发,这也体现了成熟的产品公司产品流程的完善。
以下是利用研华USB-4718 8通道热电偶输入模块、设备驱动和ActiveDAQ Pro开发的虚拟万用表的实例。可以实现万用表的全部功能,界面美观。还包括普通万用表不具备的温度测量、曲线显示、数据记录和通讯功能。
